[Waidy098-1] [Waidy210-1] [Waidy004b]

Welcome to waidy.com

Waidy's Micro Solar Farm

Humming Bird Wings beating about 53 times per second

It has always been my privilege be a citizen of the Planet Earth. I want to do everything I can to help to make this a better place for us to live. Use of renewable and eliminate the use of fossil fuel is my primary goal. Energy and Water are tied to our daily lives and strongly linked to each other. Energy produced by coal power plants, nuclear power reactors, biofuels etc. uses lots and lots of water (not to mention its well-known massive CO2 pollution release to the planet). Moreover, water discharged from coal or nuclear power plants not only creates thermal stress to our ecosystems, it contains arsenic, mercury, lead, and other toxic substances which severely contaminate our drinking water.

I am proud of being a Net Energy Producer.

25 kW PV System
43,000 kWh yearly production

Specifications

    The Main House

    The Barn

    • 63 Sharp 175W modules, total of 11.025 kW with yearly production of 15,941 kWh
    • Two Xantrex SW5548 inverters in the Barn for DC to AC conversion and battery backup.

    The Pasture

    • The two poles are schedule 80, 10 inches in diameter steel pipes, weights approximately 1200 lbs each; 50 feet apart. The poles are 20 feet in length, installed 10 feet below ground, 10 feet above ground with added 3 feet extension welded at top, a total of 13 feet above ground. The 3 feet extension is schedule 40, 8 inches in diameter steel pipes.
    • The foundation is 12.5 feet deep and 40 inches in diameter poured with high strength concrete. Both poles are filled with high strength concrete to give stability.
    • The drive head for the Wattsun dual axis tracker AZ225 with factory installed manual control option weights 250 lbs each. Power consumption for each tracker is less than 10 Wh per day and will track to within a fraction of a degree of arc sunrise to sunset, then slue back to East to be ready for the next day.
    • Ground wire #6, ground stakes 5/8", 8 feet down on earth.
    • Monitoring System: Enphase IQ Envoy with Enlighten monitoring software.

    The Battery Backup System

    • Battery backup system consists of Eight Concorde PVX-2580L 258Ah@2h batteries. Batteries are arranged as 4S2P (4 series 2 parrel) configuration, which provides 48V @ 500ah = 24kWh. However lead acid useable capacity is much lower than lithium usually around 60%, so my usable is 14.4 kWh. But also: 12v is actually 12.8v nominal, so 48 v is actually 51.2v nominal. 51.2 v @ 500Ah = 25.6 kWh; then 60% usuable on 25.6 kWh would be 15.36 kWh. This 25.6 kWh \/ 15.36 kWh system provides sufficient backup for my home as we have never run out of electricity during power outage.
    • The constant multiple days of extended PSPS (Power Safety Power Shutoff) prompts me to turn my entire property into whole property battery backup. Five Tesla Powerwall2 were installed with a intelligent transfer switch Tesla Gateway 2 . The Powerwall2 system 67.5kWh has usable capacity with integrated inverter and liquid cooling system; providing 25kW continuous power output with 35KW peak output.
    • [TheFivePWs]

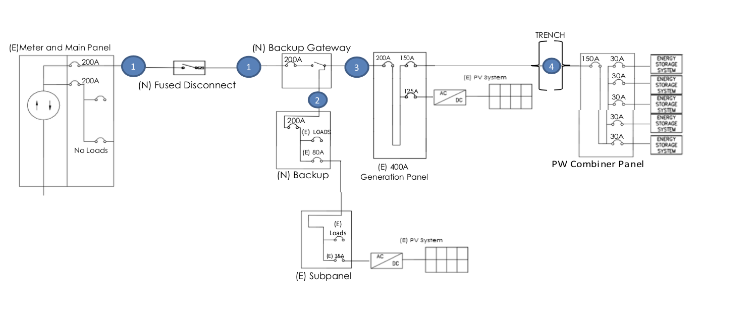
Wiring Diagram

Output Constraints

    There are several factors in the low energy production in Phase I of the PV project. The Phase II project is a result of "lessons learn" from the Phase I project, where it produces the maximum allowable energy given by the materials that were chosen.

  • The 12x175W solar panels on the flat part of the main house were restricted by a height limitation. Hence, the panels have to be layed flat.
  • The low efficiency thin films facing south on the main house was the only solar choice we had at that time since they did not yet have a mounting system for a metal roof.
  • The 63x175W solar panels on the barn roof face West, which is not the ideal direction for maximum energy production.
  • In Phase II, the two dual axis trackers, holding 32x230W solar panels on the pasture, are the ideal way to harvest maximum renewable energy. Not only do they track the sun in both directions, they use 32 enphase inverters which are spec'ed at 96% efficiency.

Power Generations

[PowerReport]

Phase II Tracker Installation Photos

The pround team: [Pround Team]
Two 12.5 feet deep holes: [Holes001] [Holes002] [Holes003] [Holes004] [Holes005]
Electrical trenches to the Barn: [Trench001] [Trench002] [Trench003] [Trench004] [Trench005]
Rebar and set poles: [SetPole001] [SetPole002] [SetPole003] [SetPole004]
Mounting the Motors: [SetMotor001] [SetMotor002] [SetMotor003] [SetMotor004]
Adding the supporting membranes: [AddMembrane001] [AddMembrane002] [AddMembrane003]
Mount Enphase Inverters and Solar Modules: [MountComponents001] [MountComponents002] [MountComponents003] [MountComponents004] [MountComponents005]
Hook up the electricals: [ElectHookup001] [ElectHookup002] [ElectHookup003] [ElectHookup004] [ElectHookup005]
My Solar Trees: [SolarTrees001] [SolarTrees002]

waidy@waidy.com No Junk Email!